PRODOTTI

vodka whiskey tequila serbatoi per liquori

vodka whiskey tequila serbatoi per liquori

serbatoio per distillati (per liquori come tequila, vodka) è un recipiente di stoccaggio medio specializzato con queste caratteristiche principali:
1. Realizzato in acciaio inossidabile 316L di grado alimentare, che resiste alla corrosione da liquori ad alta gradazione e previene alterazioni del gusto, garantendo la purezza del prodotto.
2. Progettato per lo stoccaggio post-distillazione, l'invecchiamento o la miscelazione di liquori, spesso dotato di coperchi ermetici, valvole di campionamento e indicatori di livello per un facile monitoraggio e gestione.

DESCRIZIONE DEL PRODOTTO

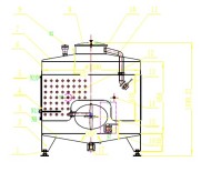
serbatoio per distillati (per liquori come tequila, vodka) è un recipiente di stoccaggio medio specializzato con queste caratteristiche principali:

1. Realizzato in acciaio inossidabile 316L di grado alimentare, che resiste alla corrosione da liquori ad alta gradazione e previene alterazioni del gusto, garantendo la purezza del prodotto.

2. Progettato per lo stoccaggio post-distillazione, l'invecchiamento o la miscelazione di liquori, spesso dotato di coperchi ermetici, valvole di campionamento e indicatori di livello per un facile monitoraggio e gestione.

3. Abbastanza compatto per le piccole distillerie pur offrendo una capacità sufficiente per lo stoccaggio a lotti e compatibile con l'impilamento o la disposizione modulare per risparmiare spazio a terra.

4. Dotato di strati isolanti opzionali per mantenere temperature stabili, il che aiuta a preservare la consistenza dei liquori durante lo stoccaggio a lungo termine


serbatoi per liquori vodka whiskey tequila


NO.

Articolo

Modello

Quantità

Specifiche tecniche

Foto

1. Sistema di fermentazione

01

Serbatoi di stoccaggio per liquori

1500L

2pz

• Acciaio inossidabile 304

• Cima conica centrata

• Valvola di campionamento

• Assieme di uscita del vino e scarico

• Rivestimento completamente saldato

•Coperchio del portello superiore

• Portello laterale rotondo

• Sonda RTD

• 2″ Valvole a farfalla

• 2″ PVRV

• Termometro bimetallico

aebf7ff36d1737f8c820d9037a867676


Richiedi un preventivo

INVIA

Imballaggio e spedizione

  • Immagine WeChat_20260106111249_4703_51
  • Immagine WeChat_20251218115158_917_58
  • Serbatoi confezionati2
  • {19A05451-3BBE-4256-91BE-DCB54A4256E8}
  • Immagine WeChat_20251215092419_4177_51
  • Immagine WeChat_20260117103431_1293_58
  • Immagine WeChat_20250811092913_158_75
  • Imballaggio scaffale1